山東風途物聯網科技有限公司
聯系人:王經理
聯系電話:13371051536
QQ:1401548526
公司地址:山東省濰坊市高新區光電路155號光電產業加速器(一期)
PRODUCT
聯系人:王經理
聯系電話:13371051536
QQ:1401548526
公司地址:山東省濰坊市高新區光電路155號光電產業加速器(一期)

產品型號:FT-WQX5
產品價格:3400元
產品品牌:風途
一、氣象傳感器產品簡介
氣象傳感器又稱微氣象傳感器、五要素氣象傳感器,氣象傳感器是一款結構緊湊、高精度、高可靠和免維護的多要素一體化傳感器,把風速、風向、溫度、濕度、大氣壓力五要素一體式。山東風途物聯網科技有限公司作為專業研發生產銷售微型氣象儀的企業,一直致力于微型氣象儀和氣象環境解決方案推廣應用。具有完整的生產鏈、實力雄厚的技術團隊和全面的營銷團隊,我們研發生產的超聲波風速風向儀、五要素微氣象儀、六要素微氣象儀和小型自動氣象站等氣象產品,已廣泛應用到氣象監測、城市環境監測、風力發電、航海船舶、航空機場、橋梁隧道等領域,客戶遍布全國各地,并取得了良好的社會效益和經濟效益。
與傳統的微型氣象儀相比,我司產品克服了對高精度計時器的需求,避免了因傳感器啟動延時、解調電路延時、溫度變化而造成的測量不準問題。
FT-WQX5型氣象傳感器創新性地將風速、風向、溫度、濕度、大氣壓力通過一個高集成度結構來實現,可實現戶外氣象參數24小時連續在線監測,通過數字量通訊接口將五項參數一次性輸出給用戶。
二、氣象傳感器產品特點
1、頂蓋隱藏式超聲波探頭,避免雨雪堆積的干擾,避免自然風遮擋(實用新型專利,專利號ZL 2020 2 3215713.X)☆
2、原理為發射連續變頻超聲波信號,通過測量相對相位來檢測風速風向(發明專利,專利號ZL 2021 1 0237536.5)☆
3、風速、風向、溫度、濕度、大氣壓力五要素一體式(實用新型專利,專利號ZL 2020 2 3215649.5)☆
4、采用先進的傳感技術,實時測量,無啟動風速☆
5、抗干擾能力強,具有看門狗電路,自動復位功能,保證系統穩定運行
6、高集成度,無移動部件,零磨損
7、免維護,無需現場校準
8、采用ASA工程塑料室外應用常年不變色
9、產品設計輸出信號標配為RS485通訊接口(MODBUS協議);可選配232、USB、以太網接口,支持數據實時讀取☆
10、可選配無線傳輸模塊,最小傳輸間隔1分鐘
11、探頭為卡扣式設計,解決了運輸、安裝過程松動不準的問題☆
三、氣象傳感器技術參數
1、風速:0~60m/s(±0.1m/s);(北京市氣象校準證書)
2、風向:0~360°(±2°);(北京市氣象校準證書)
3、空氣溫度:-40-60℃(±0.3℃);(北京市氣象局校準證書)
4、空氣濕度:0-100%RH(±3%RH);(北京市氣象局校準證書)
5、大氣壓力:30-110Kpa(±0.25%);(北京市氣象局校準證書)
6、生產企業具有ISO質量管理體系、環境管理體系和職業健康管理體系認證☆
7、生產企業具有計算機軟件注冊證書☆
8、生產企業為3A級信用企業☆
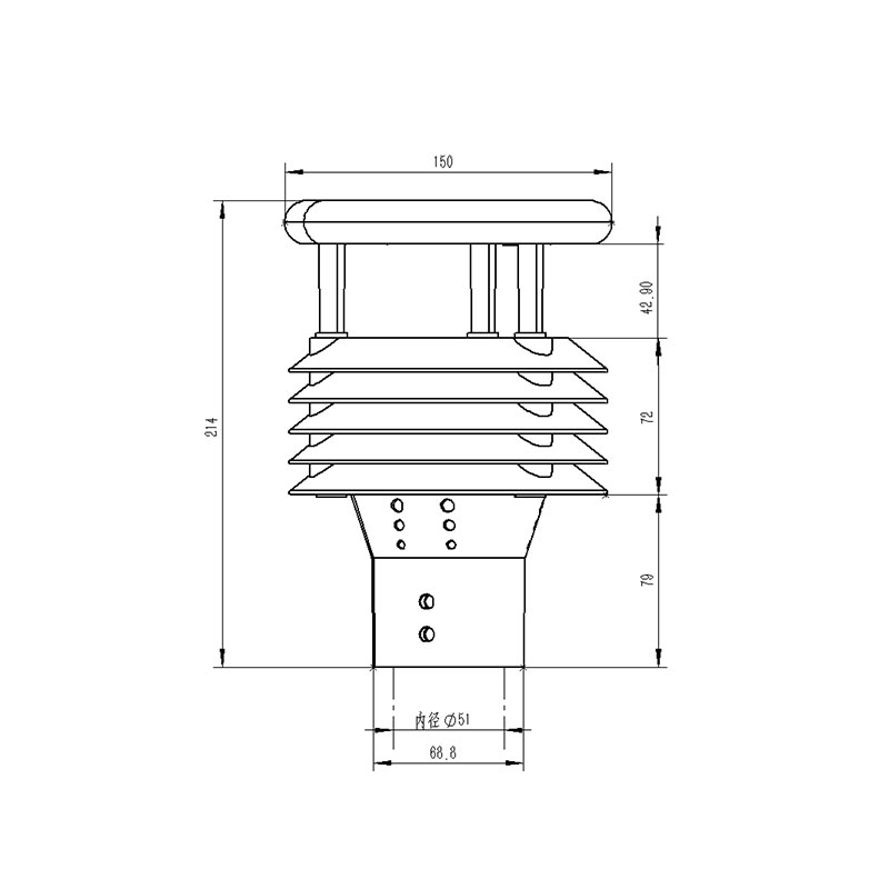
四、氣象傳感器產品尺寸圖

五、氣象傳感器產品結構圖

1、控制電路
2、指北箭頭
3、超聲波探頭
4、百葉箱
5、溫度、濕度、氣壓監測位置
6、底部固定法蘭
※此產品可選配電子羅盤、GPRS(內置)/GPS(二選一)
六、氣象傳感器產品接線定義

定義 |
| 備注 |
VCC | 電源正 | DC12V |
GND | 電源地 |
|
485A | RS485A |
|
485B | RS485B |